-
Indicador de presión diferenciada
-
indicador de presión digital
-
Indicador de presión de acero inoxidable
-
Transmisor de presión de la precisión
-
Regulador programable de la lógica
-
Interruptor llano del flotador
-
Posicionador de la válvula neumática
-
Sensor del transmisor de la temperatura
-
Hart Field Communicator
-
Válvula electromagnética
-
Válvulas de control
-
Metro de flujo de la alta exactitud
-
bomba de agua sumergible
-
Múltiple del transmisor de presión
-
Metro llano ultrasónico
-
Metro de poder actual del voltaje
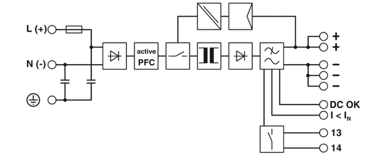
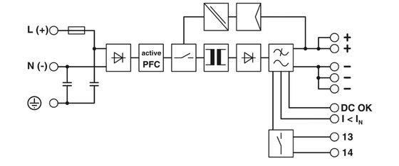
Fuente de alimentación Phoenix Contact 2866776 QUINT-PS/1AC/24DC/20 ACDC, 24VDC, 20A, 480W
| Rango de voltaje de entrada nominal | 100 V de corriente alterna... | Rango de voltaje de entrada AC | 85 V CA ... 264 V CA |
|---|---|---|---|
| Rango de voltaje de entrada CC | 90 V CC ... 350 V CC | Fuerza eléctrica, máx. | CA DE 300 V |
| Gama de frecuencia de la CA | 45 Hz ... 65 Hz | Voltaje de salida | + 24 V CC |
| Resaltar | Fuente de alimentación de energía de contacto con Phoenix QUINT-PS,Fuente de alimentación 24VDC 20A ACDC,Fuente de alimentación industrial de 480 W |
||
Fuente de alimentación Phoenix Contact 2866776 QUINT-PS/1AC/24DC/20 ACDC, 24VDC, 20A, 480W
Fuente de alimentación conmutada primaria QUINT POWER, Conexión por tornillo, Montaje en carril DIN, Tecnología SFB (Selective Fuse Breaking), entrada: 1 fase, salida: 24 V CC / 20 A, ajustable de 18 V CC ... 29,5 V CC, 90 V CC ... 350 V CC
![]()
Fuentes de alimentación QUINT POWER con máxima funcionalidad
Los disyuntores QUINT POWER se disparan magnéticamente y, por lo tanto, rápidamente a seis veces la corriente nominal, para una protección selectiva y, por lo tanto, rentable del sistema. El alto nivel de disponibilidad del sistema se garantiza además, gracias a la monitorización preventiva de la función, ya que informa de los estados operativos críticos antes de que se produzcan errores.
El arranque fiable de cargas pesadas se realiza a través de la reserva de potencia estática POWER BOOST. Gracias a la tensión ajustable, se cubren todos los rangos entre 5 V CC ... 56 V CC.


